THE BROADEST CAD TOOL SUPPORT IN THE INDUSTRY
Access FREE symbols, footprints, and 3D models from the World’s Largest CAD Library
Explore our library of popular reference designs in native CAD formats
Find everything you need to make smart design choices for your next project. Search over 16 million verified symbols, footprints, and 3D models. Browse intelligent reference designs from participating manufacturers to jumpstart your design. Find associated documentation and design resources like datasheets, pricing, availability, and simulation models.
Download components for free in over 30 CAD formats. Models are available for download on Ultra Librarian, or from participating distributors, manufacturers, or PCB design tools.
Design in your preferred CAD tool or through our available apps and integrations. Get back to what matters most; innovation, not part creation.



THE BROADEST CAD TOOL SUPPORT IN THE INDUSTRY
Don’t see yours? Check out the full list here.
BROWSE PARTS FROM YOUR FAVORITE MANUFACTURERS
Check out all manufacturers here.
ANSI Y32.2-1975 (reaffirmed 1989)
IPC-7351B
ISO 10303-21



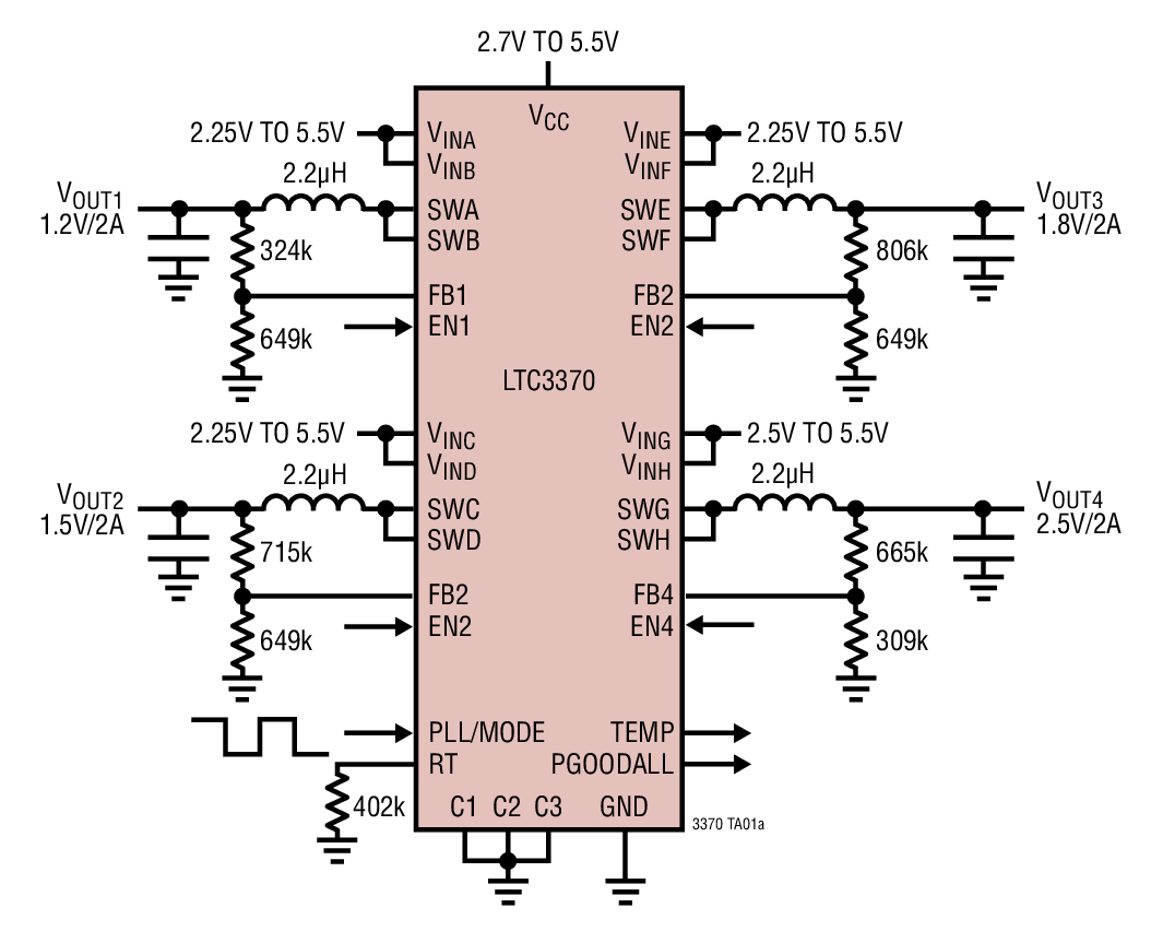
Browse reference designs here.